Loading
Al Ahasun Atique

Metallurgist

SolidWorks Designer

Materials Engineer

  • About
  • Resume
  • Acheivements
  • Showcase
  • Skills
  • Contact
Al Ahasun Atique

Metallurgist

SolidWorks Designer

Materials Engineer

Download CV

Recent Posts

  • Hello world!
  • Brand Identity with Code
  • Data Center Infrastructure
  • Music Player Design
  • Data Analytics Dashboard

Recent Comments

  1. A WordPress Commenter on Hello world!
  2. Ryan Adlard on Creativity Is More Than
  3. James Rodri on Music Player Design
  4. James Rodri on Data Center Infrastructure
  5. John Doe on Data Center Infrastructure

Archives

  • November 2025
  • April 2020

Categories

  • Code
  • Design
  • Music
  • Uncategorized

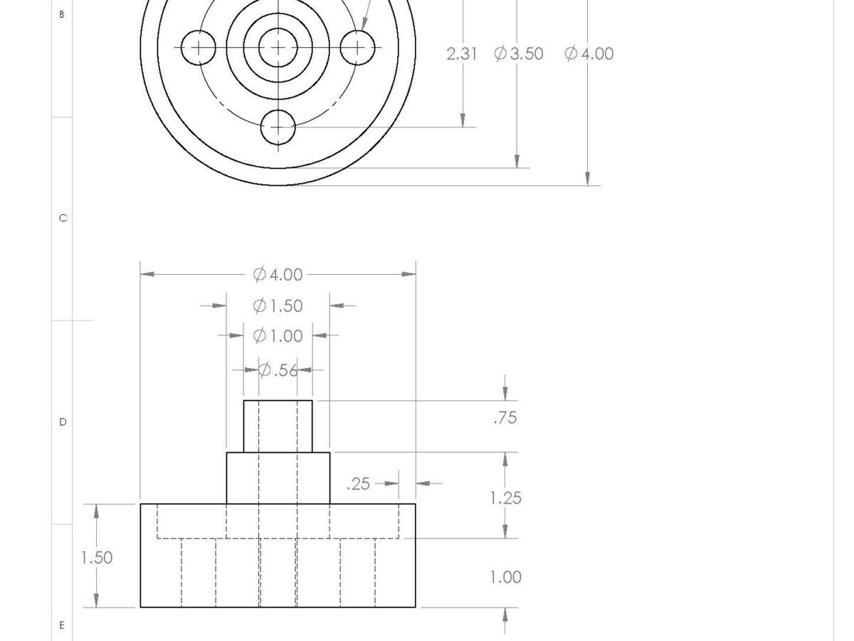
Solidworks Basic Exercise 4

  • Created By: Al Ahasun Atique
  • Type: Exercise
  • Categories: SolidWorks

I learned to create reference geometry, including planes, and utilize Revolved Boss and Revolved Cut features to design complex shapes in SolidWorks.

Share:

Prev
Next

© 2025 All Rights Reserved.